Wenzhou Joepai Valve Co., Ltd.
Wenzhou Joepai Valve Co., Ltd.
Nieuws

Nieuws

JOEPAI lanceert nieuwe kosteneffectieve roestvrijstalen 304 brandkraankleppen – superieure corrosieweerstand voldoet aan AS2419.2-normen

JOEPAIintroduceert met trots zijn nieuwste innovatie op het gebied van brandbeveiligingsinfrastructuur: deNieuw assortimentRoestvrij staal 304 brandkraankleppen. Deze kleppen zijn ontworpen voor duurzaamheid, conformiteit en waarde en bieden eensuperieur alternatief voor traditionele koperen modellen—het leveren van verbeterde corrosieweerstand tegen een meer concurrerende prijs.

Ontworpen in overeenstemming metAS/NZS 2419.2:2009zijn de nieuwe brandkranen ideaal voor een breed scala aan toepassingen, waaronder commerciële, industriële en residentiële brandsystemen, vooral inagressieve omgevingen zoals de zee en mijnbouw.


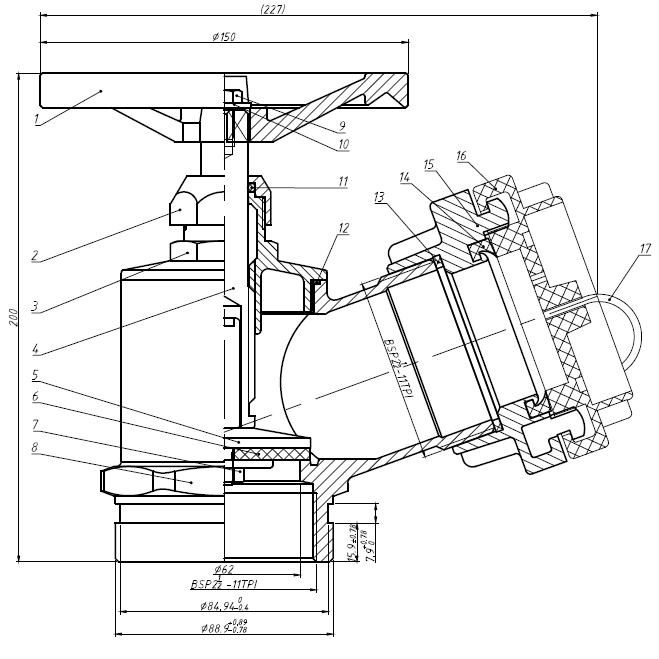
Stainless Steel 304 Fire Hydrant Valves

Producthoogtepunten:

Draadtype: Schuine 65 mm BSP gesmede Storz-adapter met UV-kunststof dop

Inlaattype: 80 mm rolgroef

Materiaalkwaliteit: Lichaam, motorkap, schijf, moer in CF8 (SS304); Stuurpen van SS316 voor verbeterde sterkte

Afdichtingsmateriaal: NBR-rubber voor betrouwbare lekvrije prestaties

Handwiel: Duurzaam HT200 gietijzer

Finish: Goed zichtbare rood gelakte coating

Werkdruk: 1.400 kPa

Hydrostatische testdruk: 2.700 kPa

Testdruk luchtdichtheid: 800 kPa

Garantie: 12 maanden


Technische naleving:

Ontworpen en getestAS2419.2-2009

Soepele handwielbediening zonder vastlopen na montage

100% geïnspecteerd en getest – geen defecten na hydrostatische en luchtdichtheidstesten


Waarom kiezen voor SS304 boven messing?

Betere corrosiebestendigheid: Ideaal voor zware omgevingen waar messing na verloop van tijd kan verslechteren

Kosteneffectief: Biedt een meer betaalbare oplossing zonder concessies te doen aan kwaliteit of prestaties

Lichtgewicht en toch sterk: Gemakkelijker te hanteren en te installeren met behoud van de structurele integriteit


Andere beschikbare configuraties:

65 mm NSW mannelijk x 80 mm rolgroef

65 mm CFA mannelijk x 80 mm rolgroef

65 mm QRT mannelijk x 65 mm mannelijk BSP

65 mm BI x 80 mm rolgroef

65 mm QRT mannelijk x 80 mm rolgroef

65 mm Storz-adapter x 65 mm mannelijke BSP

Of u nu een bestaand systeem upgradet of specificeert voor een nieuw project, de nieuwe SS304-hydrantkleppen van JOEPAI bieden deperfecte balans tussen prestaties, compliance en betaalbaarheid.

Neem vandaag nog contact met ons opvoor meer informatie of om een ​​offerte aan te vragen.

Gerelateerd nieuws
Laat een bericht achter
X
We gebruiken cookies om u een betere browse-ervaring te bieden, het siteverkeer te analyseren en de inhoud te personaliseren. Door deze site te gebruiken, gaat u akkoord met ons gebruik van cookies. Privacybeleid
Afwijzen Accepteren