Wenzhou Joepai Valve Co., Ltd.
Wenzhou Joepai Valve Co., Ltd.
Nieuws

Nieuws

Waarom onze kosteneffectieve 3-delige hogedrukkogelkraan van gesmeed staal een goede keuze is?

Wat is een 3-delige hogedrukkogelkraan van gesmeed staal?

A 3-delige hogedrukkogelkraan van gesmeed staalverwijst naar een zeer sterke kogelkraan met een driedelige lichaamsstructuur verbonden door bouten. Het sluitelement is een nauwkeurig bewerkte kogel, die door de klepsteel rond de middellijn van het kleplichaam wordt geroteerd om een ​​snelle afsluiting, distributie of stroomomschakeling van het medium te bereiken.


Productbeschrijving

Driedelige kogelkranen van gesmeed staal zijn eenvoudig te bedienen, compact, betrouwbaar afgedicht, eenvoudig van structuur en gemakkelijk te onderhouden. Het afdichtingsvlak en de kogel bevinden zich altijd in gesloten toestand, waardoor ze minder gevoelig zijn voor erosie door het medium. Ze worden veel gebruikt in verschillende industrieën.

Het kleplichaam wordt gevormd met behulp van een smeedproces en het materiaal kan roestvrij staal zijn (zoals F304, F316) of koolstofstaal (zoals A105). Gesmede staalmaterialen hebben kenmerken zoals een dichte structuur, uitstekende mechanische eigenschappen en een sterke slagvastheid, waardoor ze bijzonder geschikt zijn voor werkomstandigheden onder hoge druk en hoge sterkte.

Afhankelijk van de behoeften van het pijpleidingsysteem kunnen verschillende verbindingsmethoden worden geselecteerd, zoals schroefdraadverbinding (NPT, BSP-P (G), BSPT (Rc)), stomplassen (BW), socket weldin (SW) g of flensverbinding, wat een flexibele installatie en een sterk aanpassingsvermogen biedt.

De ontwerpdruk kan oplopen tot 1500 LB, waardoor het geschikt is voor hogedruktransportsystemen in gebieden zoals de aardolie-, chemische industrie en aardgas.


3-delige gesmeed stalen kogelkraannormen:

1) Ontwerp- en productienormen: BS5351, MSS SP-118

2) Afmetingen aansluiteinde: ANSI B16.10, JB/T1715

Afmetingen lasmoffen: ANSI B16.11, JB/T1715

Afmetingen schroefdraaduiteinde: ANSI B1.12.1, JB/T7306

Afmetingen stomplaseinde: ANSI B16.25, JB/T12224

3) Testen en inspectie: API 598

4) Materiaalnormen: ANSI/ASTM


3-Piece Forged Steel High-pressure Ball Valve


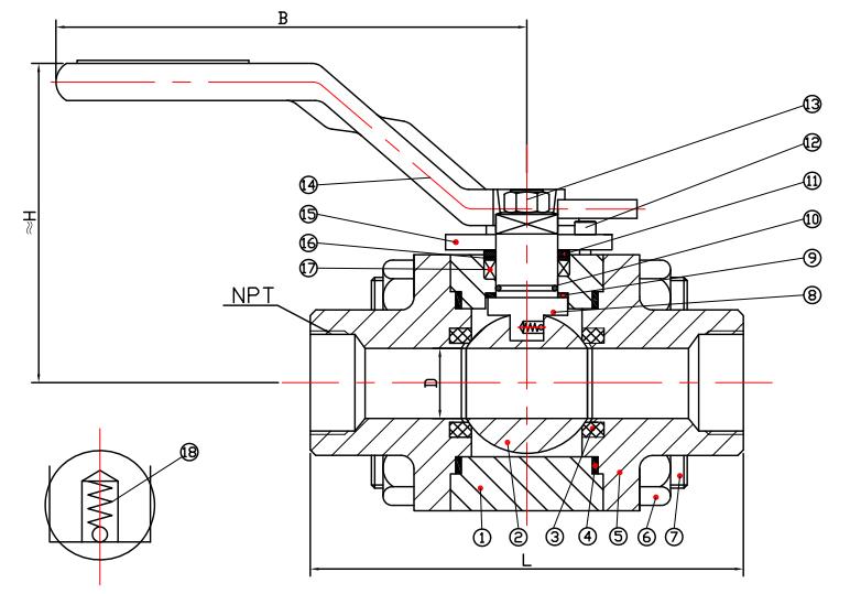
Hoofdmateriaaltabel:

Nee. Onderdeelnaam Koolstofstaal Roestvrij staal
1 Lichaam A105 F304 F304L F316 F316L
2 Bal SS304 F304 SS304L SS316 SS316L
3 Zitplaats PTFE, RPTFE
4 Pakking SS304/SS316 + Grafiet
5 Kap A105 F304 F304L F316 F316L
6 Moer A194-2H A194-8 A194-8M
7 Bout A193-B7 A193-B8 A193-B8M
8 Stang SS304 F304 SS304L SS316 SS316L
9 Stuwkracht wasmachine PTFE, RPTFE
10 O-ring Viton
11 Klier SS304 SS304 SS304 SS316 SS316
12 Bout 1035
13 Moer Roestvrij staal
14 Hendel WCB, roestvrij staal
15 Beperkte plaat 1025
16 Voorkom brandring SS304, SS316
17 Verpakking Grafiet
18 Lente SS304, SS316


Belangrijkste afmetingen tafel:

DN mm NPS(duim) L mm D mm H mm
15 1/2” 92 13 66
20 3/4” 112 19 72
25 1” 126 24 100
32 11/4” 129 30 105
40 11/2” 152 38 112
50 2” 176 49 122


3-Piece Forged Steel High-pressure Ball Valve3-Piece Forged Steel High-pressure Ball Valve3-Piece Forged Steel High-pressure Ball Valve3-Piece Forged Steel High-pressure Ball Valve



Professionele productiegarantie – Wenzhou Joepai Valve Co., Ltd.

Als bedrijf gespecialiseerd in onderzoek, ontwikkeling en productie van kogelkranen van roestvrij staal en koolstofstaal,Wenzhou Joepai Valve Co., Ltd.is gelegen in het Binhai Industrial Park in het Longwan-district, Wenzhou, bekend als 'China's Valve City'. Het bedrijf beschikt over een moderne productiebasis en een uitgebreid kwaliteitscontrolesysteem. Het bedrijf is uitgerust met:

Professioneel R&D-centrum en CNC-bewerkingsapparatuur

Geavanceerde testinstrumenten (zoals computeranalyse-instrumenten met meerdere elementen, Leeb-hardheidstesters en diktemeters)

Druktestmachines, levenscyclustestmachines en andere testplatforms voor volledige processen

Joepai Valve vertrouwt op rigoureuze processen en voortdurende innovatie en zorgt ervoor dat elke 3PC-hogedrukkogelkraan van gesmeed staal voldoet aan de hoge standaardprestatie-eisen, waardoor klanten veilige, betrouwbare enduurzame ventieloplossingen.


Gerelateerd nieuws
Laat een bericht achter
X
We gebruiken cookies om u een betere browse-ervaring te bieden, het siteverkeer te analyseren en de inhoud te personaliseren. Door deze site te gebruiken, gaat u akkoord met ons gebruik van cookies. Privacybeleid
Afwijzen Accepteren